技术参数
| 电源损耗 | •总线消耗电流 | 90mA |
| •总功耗 | 6W | |
| 数字量输出点数 | 32 | |
| 输出总电流(每组) | 4A | |
| 前连接器 | 40针 | |
| 光电隔离 | •通道与背板总线之间 | 有 |
| •每组通道之间 | 有 | |
| 尺寸(长 X 宽 X 高) | 40×125×120 | |
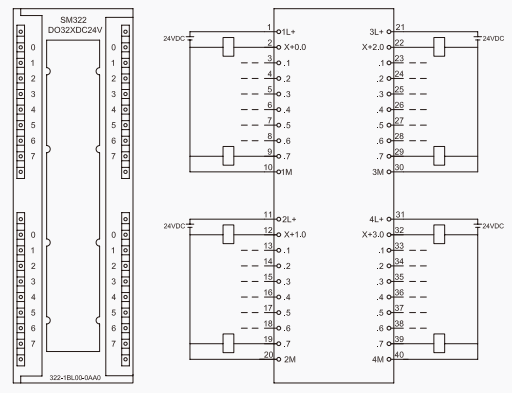
接线图


DU 322-1BL00-0AA0
订货号:DU 322-1BL00-0AA0
32点数字量输出,24V DC;
抗干扰性能强,性能稳定;
晶体管输出,光耦隔离。
技术参数
| 电源损耗 | •总线消耗电流 | 90mA |
| •总功耗 | 6W | |
| 数字量输出点数 | 32 | |
| 输出总电流(每组) | 4A | |
| 前连接器 | 40针 | |
| 光电隔离 | •通道与背板总线之间 | 有 |
| •每组通道之间 | 有 | |
| 尺寸(长 X 宽 X 高) | 40×125×120 | |
接线图
