技术参数
| 电源损耗 | •总线消耗电流 | 100mA |
| •总功耗 | 4.5W | |
| 数字量输出点数 | 16 | |
| 输出总电流(每组) | 8A | |
| 前连接器 | 20针 | |
| 光电隔离 | •通道与背板总线之间 | 有,光电耦合 |
| •每组通道之间 | 有 | |
| 尺寸(长 X 宽 X 高) | 40×125×120 | |
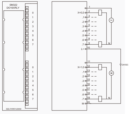
接线图


DU 322-1HH01-0AA0
订货号:DU 322-1HH01-0AA0
16点数字量继电器输出;
光耦隔离,抗干扰性能强,性能稳定。
技术参数
| 电源损耗 | •总线消耗电流 | 100mA |
| •总功耗 | 4.5W | |
| 数字量输出点数 | 16 | |
| 输出总电流(每组) | 8A | |
| 前连接器 | 20针 | |
| 光电隔离 | •通道与背板总线之间 | 有,光电耦合 |
| •每组通道之间 | 有 | |
| 尺寸(长 X 宽 X 高) | 40×125×120 | |
接线图
